-
Andres Blancoスラスターは正しく着きました。私はROVのそれらをテストし、私達は結果と非常に幸せです。エポキシの内部の終わりは非常によく、サイズに関連するモーターの力はかなりよいです。 -
グレゴアールLange常州のビック技術モーター技術と私達の会社間の協同はちょうど大きかったです。私達の必要性のよい理解、私達の問題を解決することを大きい決定。私は推薦します! -
デイヴィッドMolevelt専門および明確なコミュニケーション。順序は時間に出荷されました。郵送物に加えられてところ反対のコネクター。私達が同意したように運転者の仕事! -
Buildstormの私用限られたプロダクトは、それきちんと詰まりました予想通り働きます。販売人は非常にすぐに答え、購入の決定で助けます。それらはあなたのためのプロダクトをカスタマイズして準備ができています。 -
Ashley Griffin郵送物は非常にすぐに受け取られました。プロダクトは包装によってよく保護されました。会社repは誠心誠意および親切でした。評価とA!
10mm直径のステップモーターとギアボックス,オプションのギア比
試供品およびクーポンのための私に連絡しなさい。
ワットサップ:0086 18588475571
微信: 0086 18588475571
スカイプ: sales10@aixton.com
心配があれば、私達は24時間のオンライン・ヘルプを提供する。
x| エンジンの種類 | 10mm ワームギアステップモーター | ギアボックス構造 | 最初の段階は,ワームギア,バックスポンギア |
|---|---|---|---|
| ステップアングル | 18° | 段階のNO | 2段階 |
| コイル抵抗 | 40±10%ohm | OEM&ODMサービス | 入手可能 |
| 最低注文量 | 1ユニット | ギア比率 | 21:1~1030:1 |
| ハイライト | 10mm直径のステップモーターとギアボックス,選択可能なギア比ステップモーター,10mmの直径のステッピング モーター |
||
記述
これは,ワームギアボックスを持つ10mmステップモーターです.ワームギアの1頭と2頭があります.これは,1と2つの歯として理解することができます.ヘッドの数は,ギア比に応じて選択されます.ワームギアの効率は 22%~27%で比較的低い.
顧客はギアボックスギア比の選択に応じて選択することができます.
21:1,42:1,118:1,236:1,302:1,399:1,515:1,603:1,798:1,1030:1.
このギア比に加えて,顧客は通常可能な速度比も必要に応じてカスタマイズできます.
送電比が大きいほど,出力軸の回転が遅い,トルクが高い.
出力シャフトトーク=モータートーク*減速比*ギアボックスの効率
15mmモータートークは通常 5g.cm
変速箱と118:1速成比で
ギアボックス効率は約24%です
出力トルクは約:5g*cm*118*0.24 = 141.6g*cm
パラメータ
| モデル番号 | SM10-818G |
| モーター直径 | 10mm |
| エンジンの種類 | 永久磁石モーター |
| 駆動電圧 | 5V DC |
| コイル抵抗 | 40Ω±10%/相 |
| 段階数 | 2つの段階 |
| ステップアングル | 18° |
| ギア比率 | 211〜1030:1 |
| OEM&ODMサービス | 入手可能 |
| 効率性 | 22%~27% |
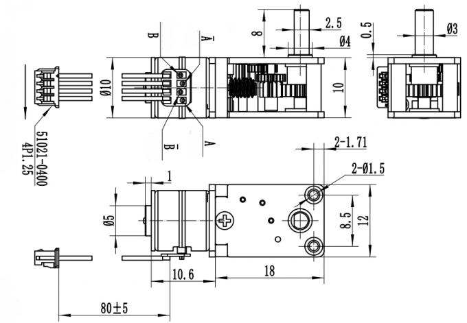
設計図

歯車式ステップモーターについて
ギアボックスには高精度,高効率,低騒音があり,製品には良好な信頼性があります.
ステップモーターの電源入力位置は,FPC,FFC,PCBケーブルなどでできます.
モーターの出力軸は,円軸,D軸,ワイヤバーなどの様々な出力構造を採用することができる.
10mmモーター + ワームギアボックス
1ワームギアボックスは低効率 (30%未満) で,他のタイプのギアボックスよりも出力トルクが低い.
2ワームギアボックスには自動ロック機能があり,エンジンが切れたときに自動的にロックされます.
3また,15mmのダブルステップモーター,N20モーター,10mmのステップモーター,および20mmのステップモーターで使用できます.
下の図のように:
15mmのダブルステップモーター + ワームギアボックス


20mmステップモーター + ワームギアボックス

ワームギアボックスパラメータ
| ギア比率 | 21:1 | 42:1 | 118:1 | 236:1 | 302:1 | 399:1 | 515:1 | 603:1 | 798:1 | 1030:1 |
| 正確な比率 | 21.00 | 42.00 | 118.067 | 236.133 | 301.726 | 398.976 | 515.200 | 603.452 | 797.853 | 1030.400 |
| ワームギアが起動する | 2 | 1 | 2 | 1 | 2 | 2 | 2 | 1 | 1 | 1 |
| 漁具レベル | 3 | 3 | 4 | 4 | 5 | 5 | 5 | 5 | 5 | 5 |
| 効率性 | 27% | 27% | 24% | 24% | 22% | 22% | 22% | 22% | 22% | 22% |
適用する
スマートホーム,パーソナルケア,家電機器,スマート医療機器,スマートロボット,スマートロジスティック,スマートカー,通信機器,スマートウェアラブルデバイス消費者電子機器 カメラ機器 その他の産業

配送期間とパッケージ情報
検品の実施期間:
スタンダードモーター: 3日以内
ストックがない標準モーター: 15日以内
パーソナライズされた製品: 約25~30日 (パーソナライゼーションの複雑さに基づいて)
新しい模具を作るためのリードタイム:一般的に約45日
大量生産の配送時間:注文量に基づいて
パッケージ:
試料は,紙箱と泡スポンジで梱包され,エキスプレスで送られます
大量生産で,モーターは透明フィルム付きの波紋紙箱に詰められています (航空便)
海上輸送の場合,製品はパレットに包装されます.
輸送方法
サンプルと航空輸送では,Fedex/TNT/UPS/DHLを使用します.(5~12日 宅急便の場合)
海上輸送では 運送代理人を用いて 上海港から運送します(45~70日,海上輸送の場合)
AQ
1製造業者ですか?
そう,私たちは製造会社で,私たちは主にステップモーターを生産しています.
2工場はどこですか? 工場を訪れましょうか?
私たちの工場は江苏州長州に位置しています.はい,私たちを訪ねて非常に歓迎します.
3無料のサンプルを 提供できますか?
無料のサンプルは 提供しません 顧客は 無料のサンプルを 公平に扱わないでしょう
4送料は誰が払うの? 送料口座を使ってもいいですか?
顧客は送料を支払う.我々は送料を引用します.
運送方法が安い/便利だと思うなら,運送口座を使えます.
5MOQは? 1台注文できますか?
MOQは無いし 注文できるのは1枚だけ
テスト中にモーターが壊れたら 備品を用意してください
6新しいプロジェクトを 開発中です カスタマイズサービスも 提供できますか?
ステップモーター業界で 20年以上の経験があります.
私たちは多くのプロジェクトを開発し,設計図から生産まで 完全なセットのカスタマイズを提供することができます.
ステップモーターのプロジェクトのためにいくつかのアドバイス / 提案を与えることができます.
機密事項が心配なら 契約書に署名できます
7運転手を売ってるのか 製造してるのか
ドライバーは売ってるが 試料用で 量産用じゃない
ドライバーは作らない ステップモーターだけ

